13603036291
家用電器生產線
發布時間:2023-03-22 14:15:48
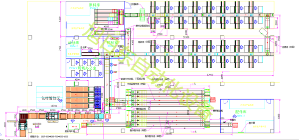
此生產線為柔性生產設計,可同時混產多規格產品。采用集中供料分多工位生產的方式,每工位獨立完成一個完整的產品。此生產線特別適用于記件支付薪酬的結算方式,可充分發揮個人的工作積極性,同時可對產品質量進行很好的追溯。本方案包含集中自動配送原材料,生產線人工裝配,在線質檢(OK往下流,有問題的返回原工位維修),分類暫存,同步投放配件、分類包裝(同步顯示包裝作業指導書)、自動捆扎、自動角邊封箱等。